Edit Template

Comune di Capaccio (SA), 1992

Progetto del nuovo Mercato Ortofrutticolo in località Capaccio Scalo

Committenza:

Amministrazione Comunale

Progettista:

Arch. Lucio De Chiara

Attività di supporto:

SPAI sri e TECNOSERVIZI srl

Collaboratore:

Arch. Domenico Petrone

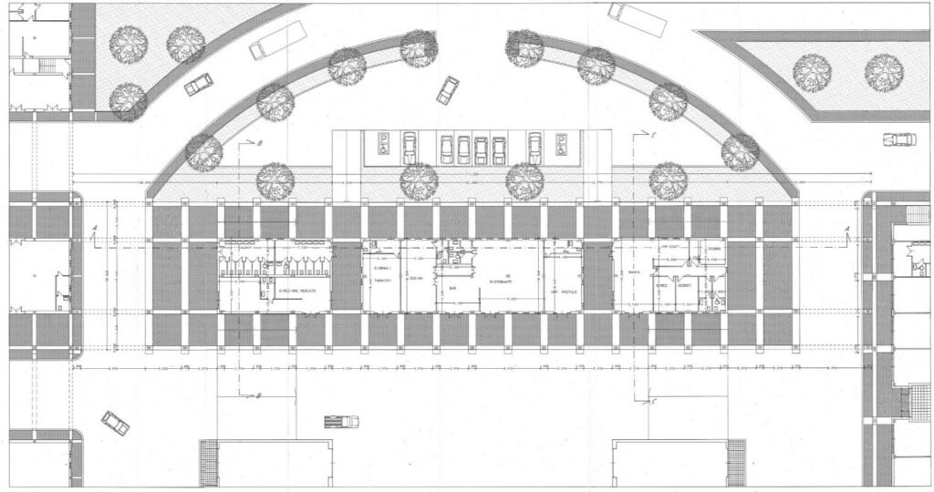
Con Delibera di Giunta Comunale n. 1874 nella seduta del 11.10.1990 venne affidato l’incarico della progettazione esecutiva del nuovo “Mercato Ortofrutticolo in località Capaccio Scalo” con annesse aree di parcheggio e collegamento via-rio.

La realizzazione di un funzionale mercato ortofrutticolo è estremamente necessaria tenuto conto della considerevole espansione dell’abitato e del notevole volume di affari e delle contrattazioni che si svolgono quotidianamente nell’attuale precaria sede del mercato.

Il sito – L’area scelta per l’insediamento del nuovo Mercato Ortofrutticolo di Capaccio soddisfa due requisiti fondamen-tali:

  1. rapidità e facilità di collegamento con le principali arterie di traffico stradale e ferroviario;
  2. dotazione di un’ampia superficie così come richiesto dal soddisfacimento di tutte le funzioni del mercato.

L’area prescelta è, infatti, situata nelle immediate vici-nanze, da una parte, dell’importante collegamento tra la strada statale Tirrena Inferiore n. 18, e la strada statale degli Alburni n. 166. L’area di progetto ha un’estensione di circa 106.300 mq, di cui 20.800 saranno coperti e 15.900 mq destinati a verde, e 13.500 mq a parcheggi per autoveicoli e mezzi pesanti, infine 9.000 mq a piazzale.